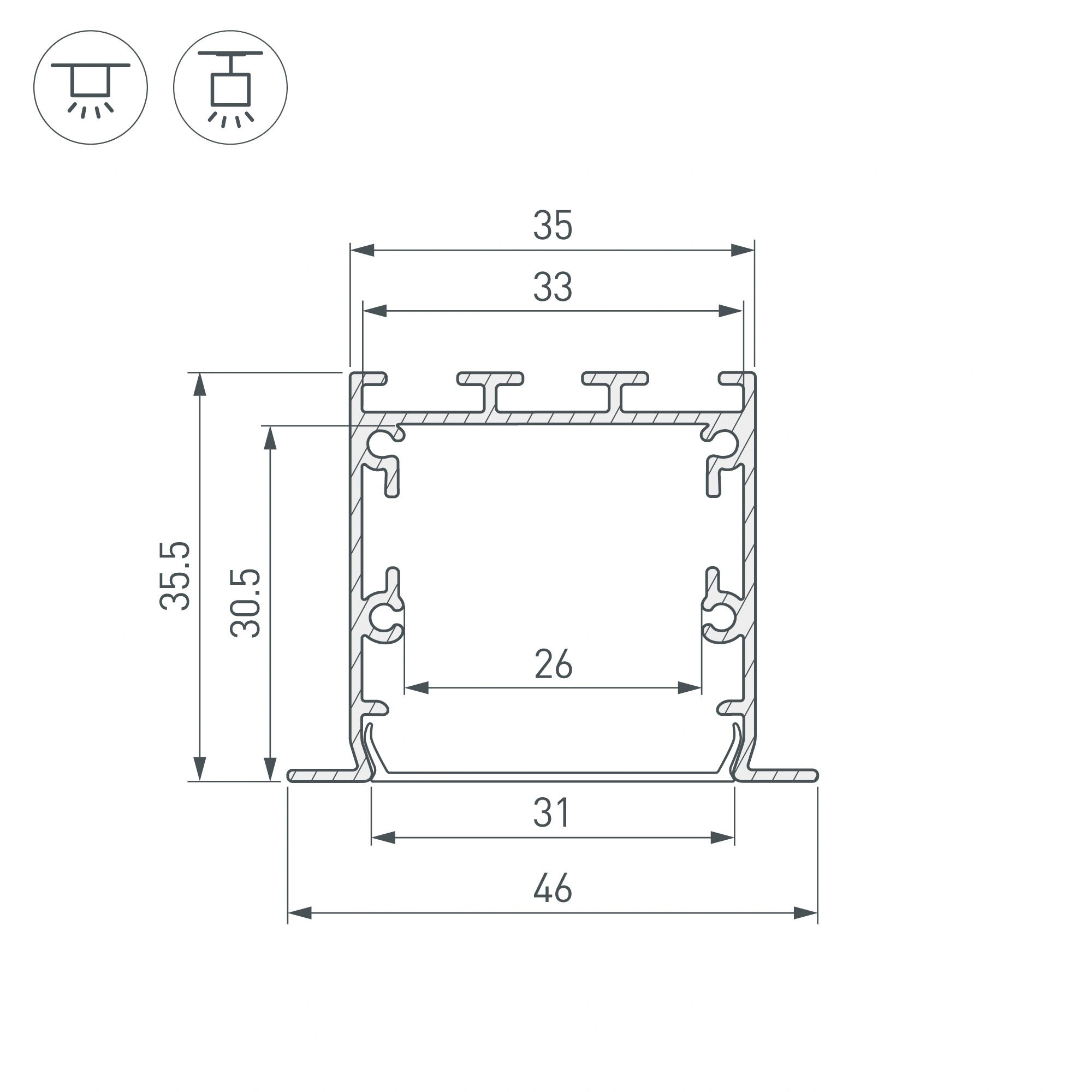
Встраиваемый профиль с накладным фланцем черного цвета из алюминия для основного освещения и контурной подсветки. Габаритные размеры профиля составляют 2000 мм в длину, 46 мм в ширину и 35,5 мм в высоту. Площадка для установки светодиодных лент позволяет использовать ленту шириной до 26 мм и мощностью до 37 Вт/м. Это обеспечивает гибкость в выборе светодиодных лент и создает потрясающие световые решения. Экраны, заглушки и другие аксессуары не включены в комплект и приобретаются отдельно. Цена указана за 1 метр профиля. Отличное решение для создания современных световых проектов. При изготовлении светильников длиной, превышающей длину профиля, соединители необходимо крепить к стенками профиля винтами с минимальным усилием, до первого ощущения сопротивления.
|
Длина
|
2000 |
|
Материал корпуса
|
Алюминий |
|
Способ монтажа
|
Встраиваемый с накладным фланцем |
|
Тип товара
|
Профиль |
|
Ширина
|
46 |
|
Высота
|
35.5 |
|
Форма (сечение)
|
С фланцем |
|
Модельный ряд
|
SL-LINIA |
|
Назначение
|
Для прямоугольных светильников |
|
Ширина световой линии
|
31 мм |
|
Рассеиваемая тепловая мощность на 1м
|
max: 37 W |
|
Внешний вид поверхности
|
Матовая |
|
Покрытие поверхности
|
Порошковая окраска |
|
Ширина площадки
|
26 мм |
|
Глубина установки источника света
|
30.5 мм |
|
Кратность цены за 1 м/шт
|
1 |
|
КПД профиля (cветовой)
|
55 % |
|
Цвет покрытия
|
Чёрный |
