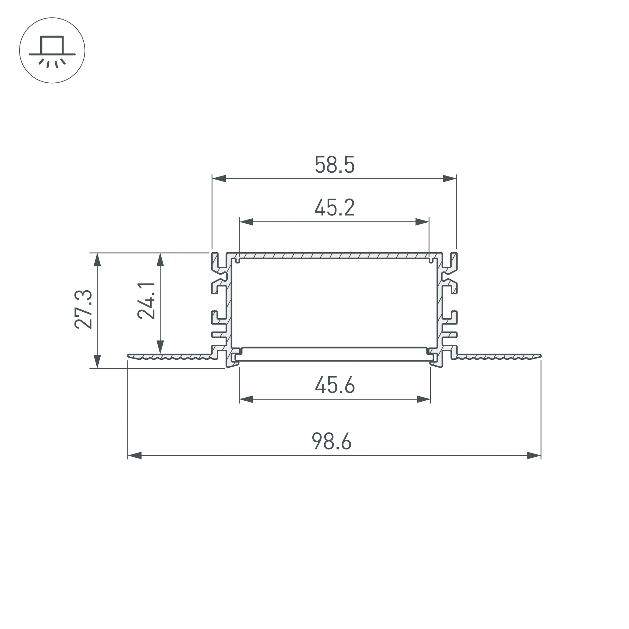
Встраиваемый гибкий профиль из анодированного алюминия со скрытым фланцем под строительную отделку устанавливается в потолки и потолочные ниши из гипсокартона. Минимальный радиус горизонтального изгиба (вправо/влево) 50 см. Габаритные размеры профиля составляют 2000 мм в длину, 98,6 мм в ширину и 27,3 мм в высоту. Площадка для установки светодиодных лент позволяет использовать ленту шириной до 45,2 мм и мощностью до 38 Вт/м. Рекомендуется использовать с гибкой светодиодной лентой серии RZ. Совместим с прямым алюминиевым профилем FANTOM-W49 и гибким FANTOM-BENT-W49-TOP. Сочетание разных видов профиля поможет подчеркнуть как прямые, так и изогнутые контуры интерьера, а также создать круги и волнообразные линии, переходящие с потолка на стены. Экраны, заглушки и другие аксессуары не включены в комплект и приобретаются отдельно. Цена указана за 1 метр профиля. Поставляется в комплекте с мягкой прокладкой для защиты профиля от грязи и пыли.
|
Длина
|
2000 |
|
Материал корпуса
|
Алюминий |
|
Способ монтажа
|
Встраиваемый со скрытым фланцем |
|
Тип товара
|
Профиль |
|
Ширина
|
98.6 |
|
Высота
|
27.3 |
|
Форма (сечение)
|
С фланцем |
|
Особенность
|
Гибкий |
|
Модельный ряд
|
FANTOM-BENT |
|
Назначение
|
Для ГКЛ |
|
Ширина световой линии
|
45.6 мм |
|
Рассеиваемая тепловая мощность на 1м
|
max: 38 W |
|
Внешний вид поверхности
|
Матовая |
|
Покрытие поверхности
|
Анодирование |
|
Ширина площадки
|
45.2 мм |
|
Глубина установки источника света
|
16 мм |
|
Кратность цены за 1 м/шт
|
1 |
|
КПД профиля (cветовой)
|
91 % |
|
Цвет покрытия
|
Серебристый |
