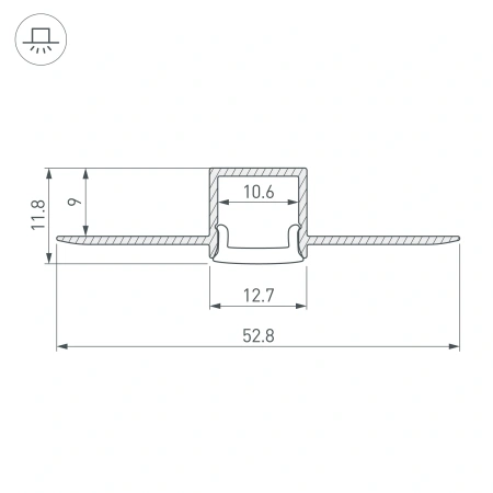
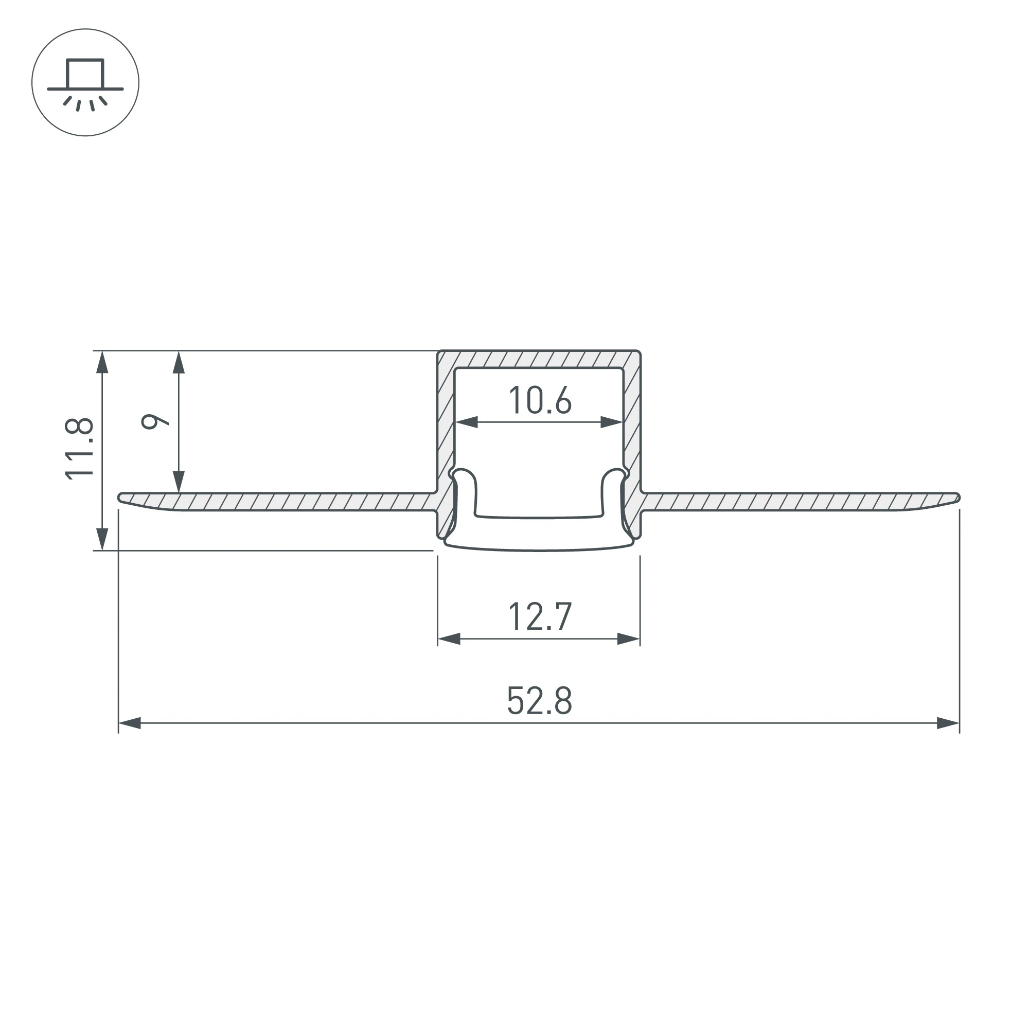
Встраиваемый гибкий профиль из анодированного алюминия со скрытым фланцем под строительную отделку устанавливается в потолки и потолочные ниши из гипсокартона. Минимальный радиус вертикального изгиба (вверх/вниз) 30 см. Габаритные размеры профиля составляют 2000 мм в длину, 52,8 мм в ширину и 11,8 мм в высоту. Площадка для установки светодиодных лент позволяет использовать ленту шириной до 10,6 мм и мощностью до 16 Вт/м. Это обеспечивает гибкость в выборе светодиодных лент и создает потрясающие световые решения. Совместим с прямым алюминиевым профилем FANTOM-W12 и гибким FANTOM-BENT-W12-SIDE. Сочетание разных видов профиля поможет подчеркнуть как прямые, так и изогнутые контуры интерьера, а также создать круги и волнообразные линии, переходящие с потолка на стены. Экраны, заглушки и другие аксессуары не включены в комплект и приобретаются отдельно. Цена указана за 1 метр профиля.
|
Длина
|
2000 |
|
Материал корпуса
|
Алюминий |
|
Способ монтажа
|
Встраиваемый со скрытым фланцем |
|
Тип товара
|
Профиль |
|
Ширина
|
52.8 |
|
Высота
|
11.8 |
|
Форма (сечение)
|
С фланцем |
|
Особенность
|
Гибкий |
|
Модельный ряд
|
FANTOM-BENT |
|
Назначение
|
Для ГКЛ |
|
Ширина световой линии
|
11.2 мм |
|
Рассеиваемая тепловая мощность на 1м
|
max: 16 W |
|
Внешний вид поверхности
|
Матовая |
|
Покрытие поверхности
|
Анодирование |
|
Ширина площадки
|
10.6 мм |
|
Глубина установки источника света
|
10.7 мм |
|
Кратность цены за 1 м/шт
|
1 |
|
КПД профиля (cветовой)
|
70 % |
|
Цвет покрытия
|
Серебристый |
