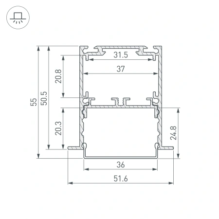
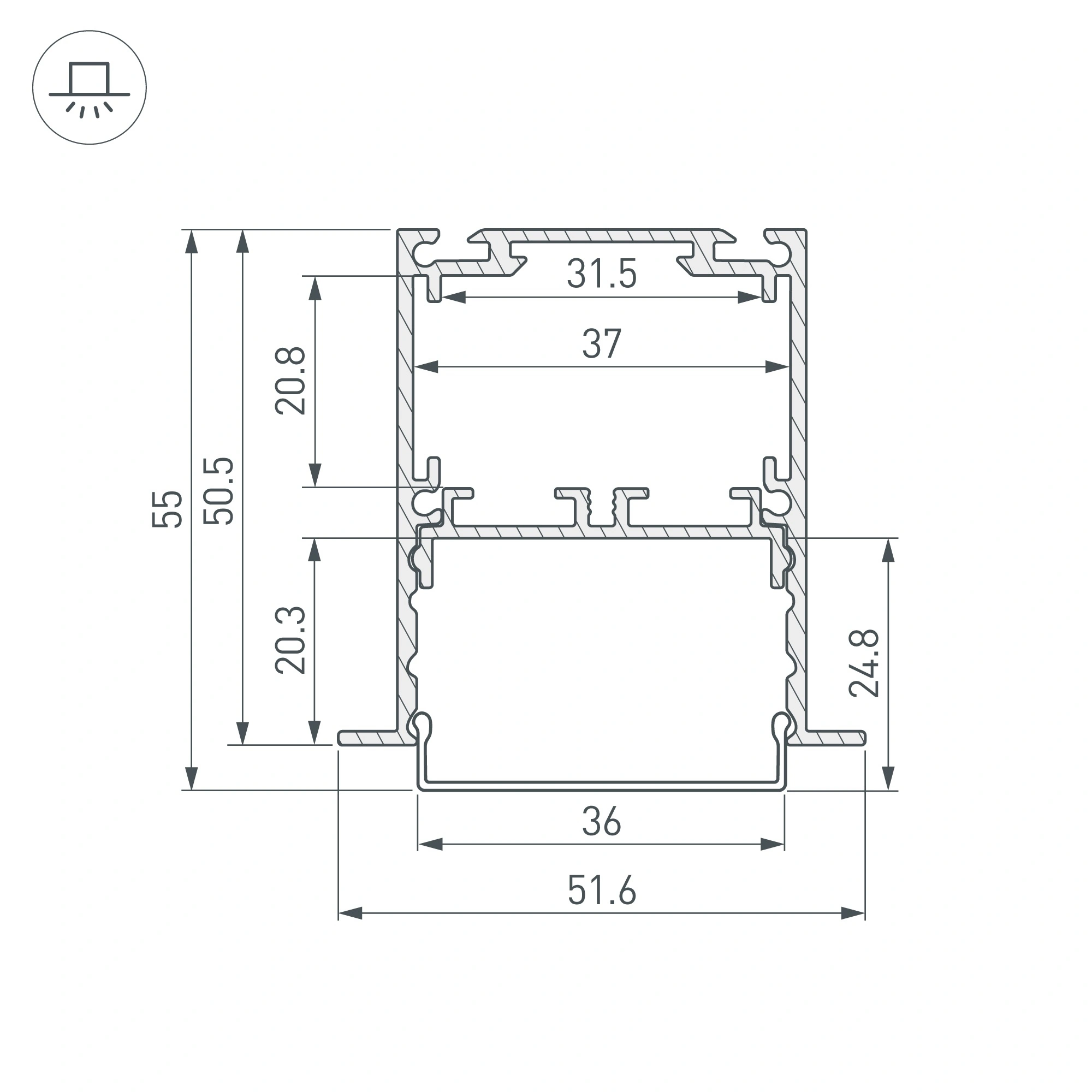
Встраиваемый профиль черного цвета с накладным фланцем из анодированного алюминия для основного освещения и контурной подсветки. Возможность установки экрана на трех уровнях: выступая за края профиля, вровень с профилем и утоплено, позволяет получить разные световые эффекты. Отсек для блока питания (31,5х20,8 мм) и съемная площадка для светодиодной ленты значительно облегчают сервисное обслуживание осветительного оборудования. Габаритные размеры профиля составляют 2000 мм в длину, 51,6 мм в ширину и 50,5 мм в высоту. Площадки для установки светодиодных лент позволяют использовать ленты шириной до 33 мм и мощностью до 47 Вт/м. Это обеспечивает гибкость в выборе светодиодных лент и создает потрясающие световые решения. Экраны, заглушки и другие аксессуары не включены в комплект и приобретаются отдельно. Цена указана за 1 метр профиля. Отличное решение для создания современных световых проектов.
|
Длина
|
2000 |
|
Материал корпуса
|
Алюминий |
|
Способ монтажа
|
Встраиваемый |
|
Тип товара
|
Профиль |
|
Ширина
|
51.6 |
|
Высота
|
50.5 |
|
Форма (сечение)
|
Прямоугольный |
|
Модельный ряд
|
SL-LINIA |
|
Назначение
|
Для прямоугольных светильников |
|
Ширина световой линии
|
36 мм |
|
Рассеиваемая тепловая мощность на 1м
|
max: 47 W |
|
Внешний вид поверхности
|
Матовая |
|
Покрытие поверхности
|
Анодирование |
|
Ширина площадки
|
33 мм |
|
Глубина установки источника света
|
19.2 мм |
|
Кратность цены за 1 м/шт
|
1 |
|
КПД профиля (cветовой)
|
86 % |
|
Отсек для БП, ширина
|
31.5 мм |
|
Отсек для БП, высота
|
20.8 мм |
|
Цвет покрытия
|
Серебристый |
